
Miniature Bearings Australia
BP0254-0286-0254-DU - Datasheet
MBA
Category Information
Bushes - Unflanged - Split - Steel - DUDU Steel Split Unflanged Bushes. Composite bearing material conisting of 3 bonded layers; Steel backing bonded with porous sintered bronze interlayer which is impregnated and overlaid with polytetrafluroethylene (PTFE). Lead free.
- An expanded range may be available on special order. Please enquire.
- Operating Temperature -200o to 280o Celsius. Maximum load 250N/mm2.
- Requires No lubrication, provides maintenance free operation. Exhibits low wear rate, Seizure resistant.
- High Static and Dynamic Load capacity, Good frictional properties with negligible stick-slip. Resists Solvents, Compact and light.
- No water Absorption, Electrically conductive and shows no electrostatic effects, Good embedability and is tolerant of dusty environments.
- Good embedability and is tolerant of dusty environments. Speed Limit in oil 5 metres surface speed per second.
Product Data
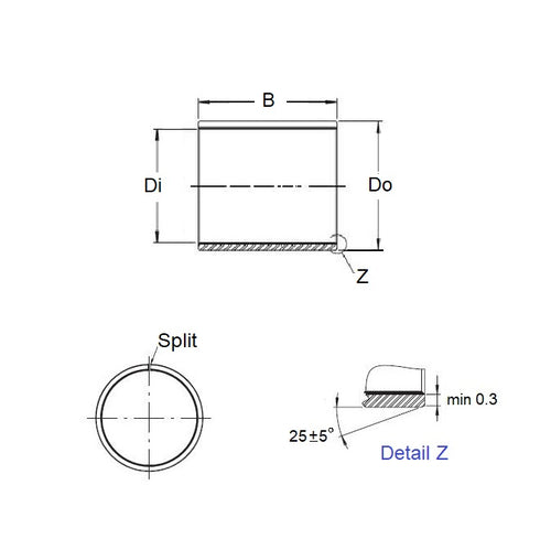
- Nominal Inside Diameter (d)
:
25.400
mm
- 0.025 / - 0.053
(Equiv. 1 in.) - Nominal Outside Diameter (D)
28.575
mm
+ 0.013 / - 0.008
(Equiv. 1.125 in.) - Length (s)
25.400
mm
+ 0.00 / - 0.30
(Equiv. 1 in.)
Product Compliance and Data
Additional Resources
- DU Bush Material Information
- General Bushes Catalogue
- Sintered Bronze Products Catalogue
- Solid Bronze Bushes catalogue
Cross References
- 60695K7
- Glacier SF-16IB16-1W
- RBC-630
- RBC630
- SF16IB161W



