
Miniature Bearings Australia
RPO-253-255-SP15 - Datasheet
MBA
Category Information
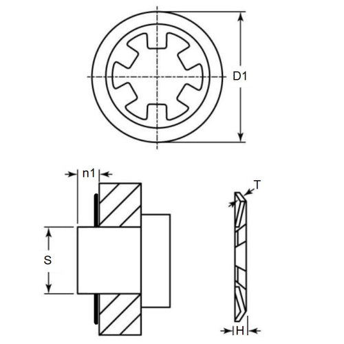
Retaining Rings - Push On - Stainless SteelStainless Steel Push On Retaining Rings. Rotor Clip TY. Stainless Steel hardness HR15N 82.5-86
- An expanded range may be available on special order. Please enquire.
- PH 15-7/17-7 Stainless Steel and 1.4310 Stainless Steel
Product Data
- Min shaft size (s1)
:
25.35
mm
(Equiv. 0.998 in.) - Max Shaft Size (s2)
25.45
mm
(Equiv. 1.002 in.) - Outside diameter (D1)
31.75
mm
(Equiv. 1.25 in.) - Min shaft extension (n1) 1.52 mm
- Material Thickness (t) 1.52 mm
- Material Stainless Steel Grade PH15-7-17
Product Compliance and Data
Additional Resources
Cross References
- RotorClip TX-100-SS
- TX100SS


