
Miniature Bearings Australia
RPI-254-255-C - Datasheet
MBA
Category Information
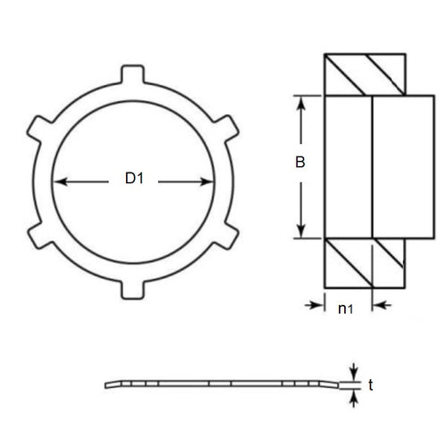
Retaining Rings - Push In Carbon SteelPush In Carbon Steel Retaining Rings. Thrust load shown is calculated for ideal conditions with mild steel bore.
Product Data
- Housing Bore (B) Min
:
25.35
mm
(Equiv. 0.998 in.) - Housing Bore (B) Max
25.45
mm
(Equiv. 1.002 in.) - Inside Clearance (D1)
19.05
mm
+ / - 0.26
(Equiv. 0.75 in.) - Thickness (t) 0.38 mm +/- 0.06
- Recommended Depth (n1) 1.52 mm
- Thrust Load 1037 kg.cm
- Material Carbon Spring Steel Self Finish
Product Compliance and Data
Additional Resources
Cross References
- 98435A141
- Truarc C16342
- Small Parts RSI-16
- NoCor TI-100
- TI100
- N1305-0100-APP
- N1305-0100APP
- N13050100APP
- RSI16


