
Miniature Bearings Australia
CFF025-25-080M-R60 - Datasheet
MBA
Category Information
Mounts - Bobbin - FemaleFemale Bobbin Mounts. Vibration dampening
- An expanded range may be available on special order. Please enquire.
- Also see Bumpers
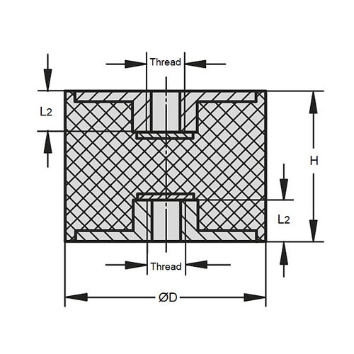
Product Data
- Nom. Body Diameter (D)
:
25.0
mm
(Equiv. 0.984 in.) - Body Height (H)
25.0
mm
(Equiv. 0.984 in.) - Thread Size M8x1.25
- Shore Hardness 60
- Compression Load 25 (54) Kg (lbs)
- Deflection 2.1 mm
- Max Shear Load 3.629 Kg (lbs)
- Configuration Female to Female
- Material Natural Rubber
Product Compliance and Data
Additional Resources
Cross References
- VM401M
- VM-40-1M


