
Miniature Bearings Australia
CFF025-20-060M-R70 - Datasheet
MBA
Category Information
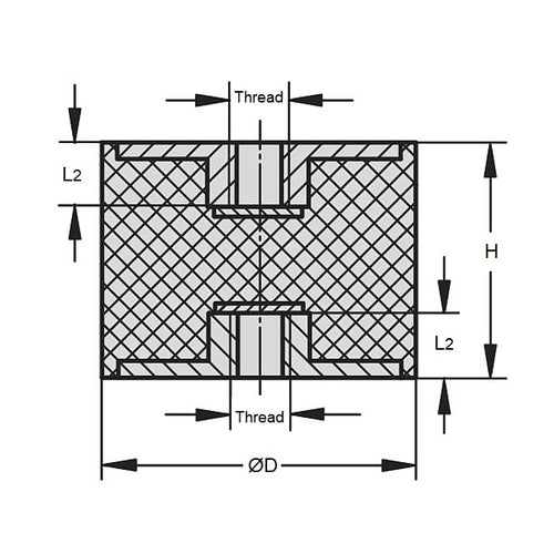
Mounts - Bobbin - FemaleFemale Bobbin Mounts. Vibration dampening
- An expanded range may be available on special order. Please enquire.
- Also see Bumpers
Product Data
- Nom. Body Diameter (D)
:
25.0
mm
(Equiv. 0.984 in.) - Body Height (H)
20.0
mm
(Equiv. 0.787 in.) - Thread Size M6x1
- Shore Hardness 70
- Compression Load 41 (88) Kg (lbs)
- Deflection 1.6 mm
- Configuration Female to Female
- Material Natural Rubber
Product Compliance and Data
Additional Resources
Cross References
- 2520FF06-70
- 2520FF0670


