
Miniature Bearings Australia
CFF025-15-060M-R60 - Datasheet
MBA
Category Information
Mounts - Bobbin - FemaleFemale Bobbin Mounts. Vibration dampening
- An expanded range may be available on special order. Please enquire.
- Also see Bumpers
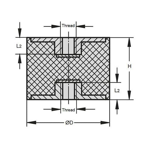
Product Data
- Nom. Body Diameter (D)
:
25.0
mm
(Equiv. 0.984 in.) - Body Height (H)
15.0
mm
(Equiv. 0.591 in.) - Thread Size M6x1
- Shore Hardness 60
- Compression Load 30 (64) Kg (lbs)
- Deflection 1.0 mm
- Configuration Female to Female
- Material Natural Rubber
Product Compliance and Data
Additional Resources
Cross References
- Misumi C-DD2515-6
- 2515FF0660
- 2515FF06-60
- CDD25156


