
Miniature Bearings Australia
P-100T-024-320FF-AL-N-080 - Datasheet
MBA
Category Information
Pulleys - Metric Timing - 10.000mm Pitch - T10 - 32mm Wide Aluminium32mm Wide Aluminium T10 10.000mm Pitch Metric Timing Pulleys. Timing pulleys to suit T10 Series belts
- Timing pulleys combined with timing belts, provide power transmission without slippage.
- Timing pulleys are toothed pulleys used with timing belts to synchronize the movement of different mechanical components, ensuring precise timing and coordination.
- Some uses for timing pulleys include 3D printers, CNC machines, robotics and automation components, textile machinery, office equipment such as scanners and copiers, and medical devices requiring precise movement control.
- Aluminium Alloy
- Finished through bore ready to assemble
Product Data
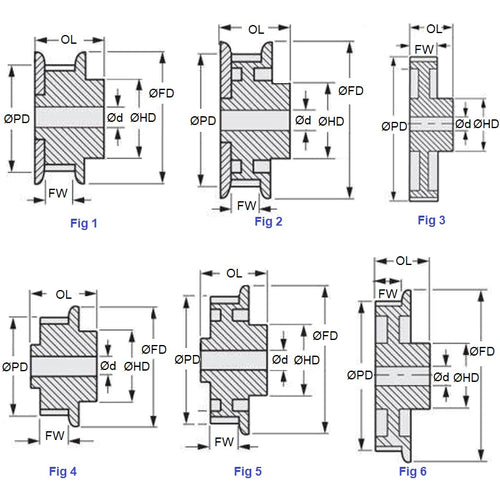
- Number of Teeth : 24
- Max Belt Width
32.00
mm
(Equiv. 1.26 in.) - Bore (d)
8.000
mm
(Equiv. 0.315 in.) - Bore Type Plain
- Locking Type None
- Type 2
- Pitch Dia. (PD) 76.36 mm
- Flange Diameter (FD) 82.0 mm
- Overall Length 47.0 mm
- Hub Diameter (HD) 58.0
- Material Aluminium
Product Compliance and Data
Additional Resources
Cross References
- Gates 47T10-24-2
- 47T10242


