Miniature Bearings Australia - MBA Minibearings
Miniature Bearings Australia

1.61.050.466 - Datasheet

MBA

Category Information

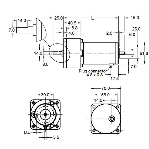
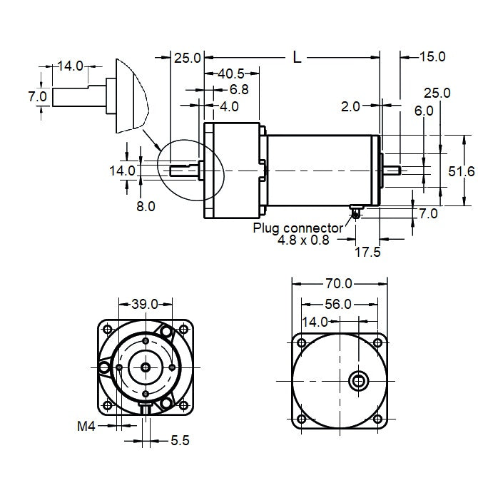
Gearmotors - DC PM - Size 70x114

Size 70x114 DC PM Gearmotors. Permanent Magnet.

  • This category will be discontinued when this item is sold.
  • This item is priced to quit.
  • Backorders or orders for previously listed items in the category will only be available for very large orders.
  • Max. Allowable Radial Load: 100N (10mm from mounting surface).
  • Max. Allowable Axial Load: 30N.
  • Axial Play: 0.05 - 0.6mm. Allowable Temperature Range: -20oC to +60oC.
  • Integral CD PM Motor - Brush type commutation - 12 segment commutator - RFI protection standard.
  • Gear train with steel and high quality plastic gears - Terminal dimensions 4.8 x 0.8 - Weight: 1200g.

Product Data

Deleted Item. Available while stocks last.

Please contact us first if you wish to use this item in a new design so we can check whether production can be resumed.

  • Voltage : DC 24 V
  • Rated Torque 3300 mNm
  • Rated Speed 23.5 rpm
  • Rated Current 1250 mA
  • No Load Speed 31 rpm
  • Terminal Resistance 7.60  Ohms
  • Gear Ratio 96.5 : 1
  • Gear Stages 4
Country of Origin: GB

Product Compliance and Data

Additional Resources

    View full details