
Miniature Bearings Australia
GM-076-D8-254-C - Datasheet
MBA
Category Information
Gears - Mitre - 8DP Steel8DP Steel Mitre Gears. 1:1 Ratio. 20 Degree Pressure Angle - Carbon steel
- An expanded range may be available on special order. Please enquire.
- Mitre gears are used with a matching gear of the same pitch and number of teeth.
- This provides a 1 to 1 ratio on a 90 Degree angle.
- See Gears - Bevel for other ratios.
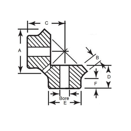
Product Data
- Number of Teeth : 24
- Pitch Diameter (pd)
76.200
mm
(Equiv. 3 in.) - Bore (d)
25.400
mm
(Equiv. 1 in.) - Overall Length (L) 45.364 mm
- Hub Diameter (hd) 63.500 mm
- Each
- Hub Projection (F) 25.400 mm
- Mounting Distance (C) 69.850 mm
- Face Width (B) 17.272 mm
- Material Steel
Product Compliance and Data
Additional Resources
Cross References
- BOSTON L105Y-A
- GE-105
- GE105
- L105YA


