
Miniature Bearings Australia
BP0238-0302-0381-BSTT - Datasheet
MBA
Category Information
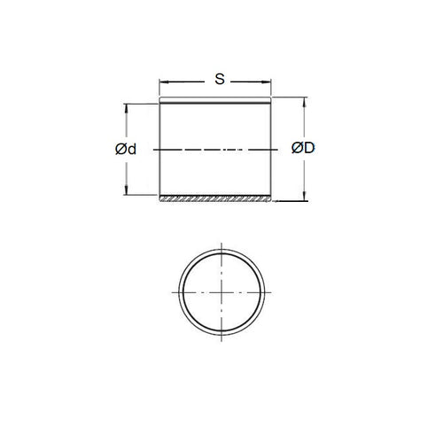
Bushes - Unflanged - Bronze - SinteredSintered Bronze Unflanged Bushes. Oil impregnated sintered bronze bushes.
- An expanded range may be available on special order. Please enquire.
- Precision items show an allowable Load Speed Rating in Newtons times RPM.
Product Data
- Nominal Inside Diameter (d)
:
23.813
mm
+ 0.038 / + 0.064
(Equiv. 0.938 in.) - Nominal Outside Diameter (D)
30.163
mm
+ 0.038 / + 0.064
(Equiv. 1.188 in.) - Length (s)
38.100
mm
+/- 0.127
(Equiv. 1.5 in.) - Material Bronze SAE 841 Sintered
Product Compliance and Data
Additional Resources
- DU Bush Material Information
- General Bushes Catalogue
- Sintered Bronze Products Catalogue
- Solid Bronze Bushes catalogue
Cross References
- Bunting B-1519-12
- Oilube B-1519-12
- Symmco SS-3038-24
- BP023803020381BS
- BP023803020381BSH
- BP023803020381BSHH
- A7B4SP303812
- A7B4-SP303812
- B151912
- SS303824


