
Miniature Bearings Australia
BF0220-0280-0150-BS3430LT - Datasheet
MBA
Category Information
Bushes - Flanged - Bronze - SinteredSintered Bronze Flanged Bushes. Oil impregnated flanged sintered bronze bushes.
- An expanded range may be available on special order. Please enquire.
- Precision items show an allowable Load Speed Rating in Newtons times RPM.
Product Data
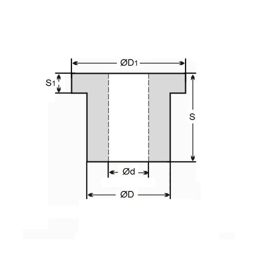
- Nominal Inside Diameter (d)
:
22.000
mm
+ 0.005 / + 0.030
(Equiv. 0.866 in.) - Nominal Outside Diameter (D)
28.000
mm
+ 0.035 / + 0.060
(Equiv. 1.102 in.) - Length (s)
15.000
mm
+/- 0.127
(Equiv. 0.591 in.) - Flange OD (D1) 34.00 mm
- Flange Thickness (S1) 3.00 mm
- Material Bronze SAE 841 Sintered
Product Compliance and Data
Additional Resources
- DU Bush Material Information
- General Bushes Catalogue
- Sintered Bronze Products Catalogue
- Solid Bronze Bushes catalogue
Cross References
- 6659K47
- Oilite FFM2228-15
- Oilube FM-2228-15
- Shorlube SMF3415
- BF022002800150BSLT
- FFM222815


