
Miniature Bearings Australia
CC-229-254-C - Datasheet
MBA
Category Information
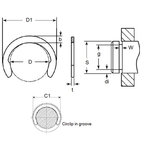
Retaining Rings - CrescentCrescent Retaining Rings. Variation of an E-Clip with an open face. Also known as a C-Clip.
- Narrow section height provides good clearance capabilities.
- Absence of teeth and deep set mean less thrust load ratings than e-clips.
- For best results install using the recommended applicator tool.
Product Data
- Groove Diameter (G)
:
22.86
mm
(Equiv. 0.9 in.) - Shaft Diameter (S)
25.40
mm
(Equiv. 1 in.) - Thickness (t)
1.07
mm
(Equiv. 0.042 in.) - Clip OD in groove (C1) 29.21 mm
- Clip OD Loose (D1) 28.70 mm
- Groove Width (W) 1.17
- Material Carbon Spring Steel Self Finish
Product Compliance and Data
Additional Resources
Cross References
- Military 16632-100
- Military 16632-100/B
- Military 16632-100-B
- Waldes 5103-100
- Waldes 5103-100/B
- Waldes 5103-100-B
- Ellison 9103-100
- Ellison 9103-100/B
- Ellison 9103-100-B
- NoCor C-100
- Rotor Clip C-100
- NoCor C-100/B
- Rotor Clip C-100/B
- NoCor C-100-B
- Rotor Clip C-100-B
- N1800-100/B
- N1800100
- N1800100B
- N1800100/B
- N18000100APP
- N1800-0100APP
- N1800-100-B
- 16632100B
- 16632100/B
- 9103100/B
- 9103100B
- 5103100B
- 5103100/B
- C100/B
- C100B


