
Miniature Bearings Australia
BP0222-0286-0413-BSHH - Datasheet
MBA
Category Information
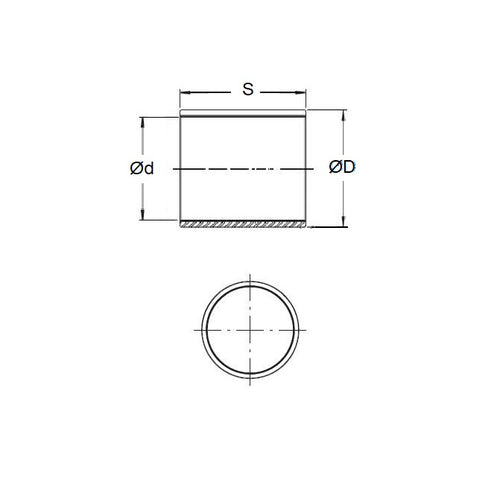
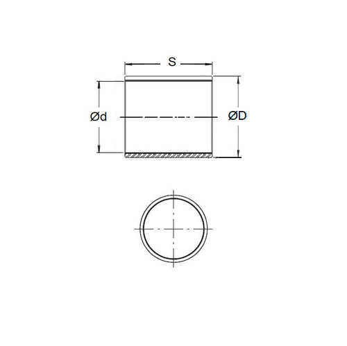
Bushes - Unflanged - Bronze - SinteredSintered Bronze Unflanged Bushes. Oil impregnated sintered bronze bushes.
- An expanded range may be available on special order. Please enquire.
- Precision items show an allowable Load Speed Rating in Newtons times RPM.
Product Data
- Nominal Inside Diameter (d)
:
22.225
mm
+ 0.051 / + 0.076
(Equiv. 0.875 in.) - Nominal Outside Diameter (D)
28.575
mm
+ 0.051 / + 0.076
(Equiv. 1.125 in.) - Length (s)
41.275
mm
+/- 0.190
(Equiv. 1.625 in.) - Material Bronze SAE 841 Sintered
Product Compliance and Data
Additional Resources
- DU Bush Material Information
- General Bushes Catalogue
- Sintered Bronze Products Catalogue
- Solid Bronze Bushes catalogue
Cross References
- Symmco SS-2836-26
- BP022202860413BS
- BP022202860413BSH
- A7B4SP283613
- A7B4-SP283613
- SS283626


