
Miniature Bearings Australia
BP0222-0254-0254-BSTH - Datasheet
MBA
Category Information
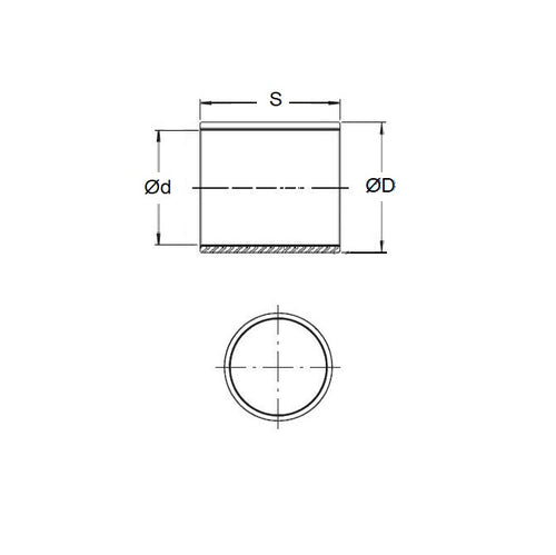
Bushes - Unflanged - Bronze - SinteredSintered Bronze Unflanged Bushes. Oil impregnated sintered bronze bushes.
- An expanded range may be available on special order. Please enquire.
- Precision items show an allowable Load Speed Rating in Newtons times RPM.
Product Data
- Nominal Inside Diameter (d)
:
22.225
mm
+ 0.025 / + 0.051
(Equiv. 0.875 in.) - Nominal Outside Diameter (D)
25.400
mm
+ 0.076 / + 0.102
(Equiv. 1 in.) - Length (s)
25.400
mm
+/- 0.127
(Equiv. 1 in.) - Material Bronze SAE 841 Sintered
Product Compliance and Data
Additional Resources
- DU Bush Material Information
- General Bushes Catalogue
- Sintered Bronze Products Catalogue
- Solid Bronze Bushes catalogue
Cross References
- Bunting EP141616
- Daemar P-87-8
- Small Parts SBB-14-16
- P878
- BNT186
- BNT-186
- BP022202540254BSSH
- BP022202540254BS-SH
- A7B4-SP283208
- A7B4SP283208
- QT69-2
- QT692
- SBB1416


