
Miniature Bearings Australia
BF0222-0254-0254-BS3240TH - Datasheet
MBA
Category Information
Bushes - Flanged - Bronze - SinteredSintered Bronze Flanged Bushes. Oil impregnated flanged sintered bronze bushes.
- An expanded range may be available on special order. Please enquire.
- Precision items show an allowable Load Speed Rating in Newtons times RPM.
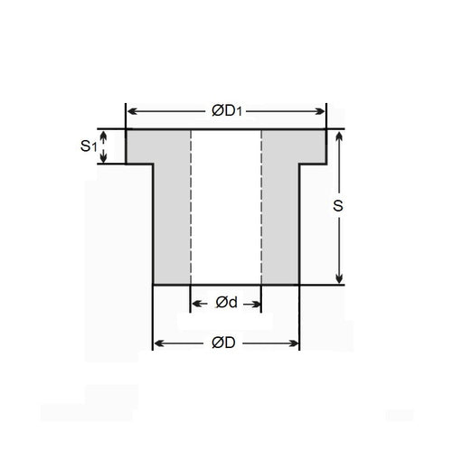
Product Data
- Nominal Inside Diameter (d)
:
22.225
mm
+ 0.025 / + 0.051
(Equiv. 0.875 in.) - Nominal Outside Diameter (D)
25.400
mm
+ 0.051 / + 0.076
(Equiv. 1 in.) - Length (s)
25.400
mm
+/- 0.191
(Equiv. 1 in.) - Flange OD (D1) 31.75 mm
- Flange Thickness (S1) 3.97 mm
- Material Bronze SAE 841 Sintered
Product Compliance and Data
Additional Resources
- DU Bush Material Information
- General Bushes Catalogue
- Sintered Bronze Products Catalogue
- Solid Bronze Bushes catalogue
Cross References
- 6338K585
- Oilite FB1416-8
- Oilube FB1416-8
- Small Parts FBB-14-10
- BF022202540254BS
- FBB1410
- FB14168
- A7B4SF283208
- A7B4-SF283208


