
Miniature Bearings Australia
CC-214-238-C - Datasheet
MBA
Category Information
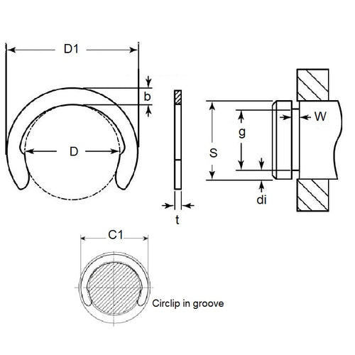
Retaining Rings - CrescentCrescent Retaining Rings. Variation of an E-Clip with an open face. Also known as a C-Clip.
- Narrow section height provides good clearance capabilities.
- Absence of teeth and deep set mean less thrust load ratings than e-clips.
- For best results install using the recommended applicator tool.
Product Data
- Groove Diameter (G)
:
21.41
mm
(Equiv. 0.843 in.) - Shaft Diameter (S)
23.83
mm
(Equiv. 0.938 in.) - Thickness (t)
1.07
mm
(Equiv. 0.042 in.) - Clip OD in groove (C1) 27.43 mm
- Clip OD Loose (D1) 26.87 mm
- Groove Width (W) 1.17
- Material Carbon Spring Steel Self Finish
Product Compliance and Data
Additional Resources
Cross References
- Military 16632-093
- Military 16632-093/B
- Military 16632-093-B
- Waldes 5103-093
- Waldes 5103-093/B
- Waldes 5103-093-B
- Ellison 9103-093
- Ellison 9103-093/B
- Ellison 9103-093-B
- NoCor C-093
- Rotor Clip C-093
- NoCor C-093/B
- Rotor Clip C-093/B
- NoCor C-093-B
- Rotor Clip C-093-B
- N1800093B
- N1800-093-B
- N1800-093/B
- N1800093/B
- N18000093APP
- N1800-0093APP
- 16632093
- 16632093B
- 16632093/B
- 9103093
- 9103093/B
- 9103093B
- 5103093B
- 5103093/B
- C093B
- C093/B


