
Miniature Bearings Australia
P-050A-020-160FF-AL-N-060 - Datasheet
MBA
Category Information
Pulleys - Metric Timing - 5.000mm Pitch - AT5 - 16mm Wide16mm Wide AT5 5.000mm Pitch Metric Timing Pulleys. Timing pulleys to suit AT5 Series belts
- Timing pulleys combined with timing belts, provide power transmission without slippage.
- Timing pulleys are toothed pulleys used with timing belts to synchronize the movement of different mechanical components, ensuring precise timing and coordination.
- Some uses for timing pulleys include 3D printers, CNC machines, robotics and automation components, textile machinery, office equipment such as scanners and copiers, and medical devices requiring precise movement control.
- Aluminium Alloy
- Steel Flanges
- Hub is unthreaded, you will need to drill and tap with your required locking screw size
Product Data
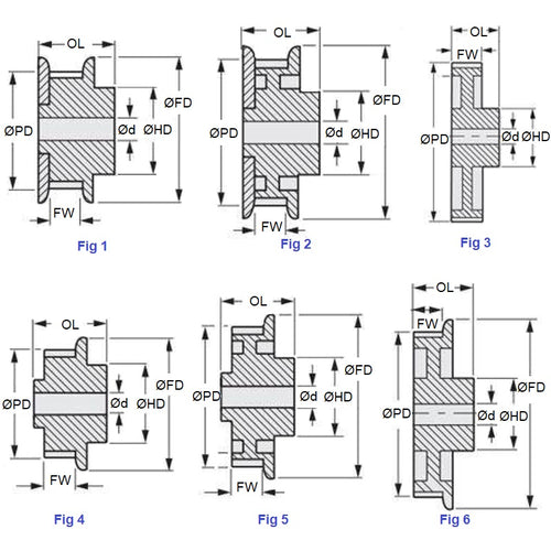
- Number of Teeth : 20
- Max Belt Width
16.00
mm
(Equiv. 0.63 in.) - Bore (d)
6.000
mm
(Equiv. 0.236 in.) - Bore Type Plain
- Locking Type None
- Type 2
- Pitch Dia. (PD) 31.82 mm
- Flange Diameter (FD) 36.0 mm
- Overall Length 27.0 mm
- Hub Diameter (HD) 23.0
- Material Aluminium
Product Compliance and Data
Additional Resources
Cross References
- Gates 27AT5-20-2
- 3709N41
- 27AT5/202
- 27AT5/20-2
- 27AT5202


