
Miniature Bearings Australia
CCF1175RS - Datasheet
MBA
Category Information
Bearings - 4 Point Contact4 Point Contact Bearings. 4 Point Contact Bearings support Axial Loads in both directions.
- Ballscrews are used in motion control systems, positioning systems, machine tools, industrial automation, aerospace, defence, medical devices and semi-conductor equipment.
- These bearings have four points of contact between the balls and the raceways, allowing them to accommodate thrust loads in addition to radial loads.
- Applications include robotics, machine tools, turbines, and aerospace and defence.
- Can replace double row angular contact bearings where space is limited.
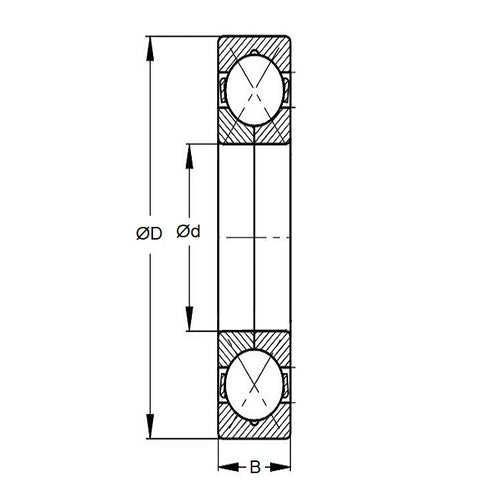
Product Data
- ID (d)
:
203.200
mm
(Equiv. 8 in.) - OD (D)
219.075
mm
(Equiv. 8.625 in.) - Width (B)
7.938
mm
(Equiv. 0.313 in.) - Closure Type Open
- Bearing Type Type X / Silverthin
- Material Chrome Steel
Product Compliance and Data
Additional Resources
- Catalogue: Ceramic Bearings Catalogue
- Catalogue: Plastic Bearings Catalogue
- Catalogue: Standard Bearings Catalogue
- General: Bearing Cleanliness
- General: Bearing Clearances
- General: Bearing Flanges & Snap Rings
- General: Bearing Retainers (Cages)
- General: General Loads Information
- General: Lubrication
- General: Prefix & Suffix Guide
- General: Static vs Dynamic Loads
- Materials: 316 Stainless
- Materials: CASSTOP Anti-Corrosion Bearing Material
- Materials: Ceramic vs Ceramic Hybrid
- Materials: Ceramic Bearings in Vibratory Applications
- Materials: Ceramic Hybrid Bearings in Vibratory Applications
- Materials: General Bearing Materials
- Materials: Magnetism & Bearings
- Precision: 316 Stainless & Plastic Bearing Tolerances
- Precision: ABEC Basic Information
- Precision: Precision Bearing Tolerances
- Problem Solving: Bearing Failure
- Problem Solving: Fatigue (L10 Life)
- Problem Solving: Noise
Cross References
- 6656K27
- CCF1175
- CCF-1175


