
Miniature Bearings Australia
GM-S030S-M15-120-C8-GK - Datasheet
MBA
Category Information
Gears - Mitre - Module 1.5 - Spiral - SteelSteel Spiral Module 1.5 Mitre Gears. 1:1 Ratio. 20 Degree Pressure Angle - 35 Degree Spiral tooth - Steel.
- An expanded range may be available on special order. Please enquire.
- A set of spiral mitre gears must be identical in module and number of teeth but opposite in spiral direction.
- This provides a 1 to 1 ratio on a 90 Degree angle.
- See Gears - Bevel for other ratios.
Product Data
Deleted Item. Available while stocks last. Deleted Item. Available while stocks last.
Please contact us first if you wish to use this item in a new design so we can check whether production can be resumed.
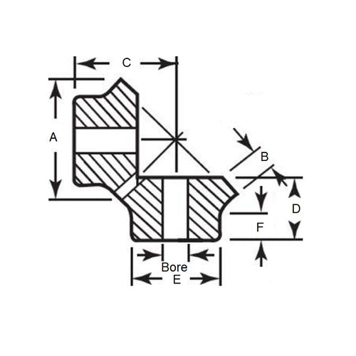
- Number of Teeth : 20
- Pitch Diameter (pd)
30
mm
(Equiv. 1.181 in.) - Bore (d)
12.000
mm
+0.015 / -0.000
(Equiv. 0.472 in.) - Overall Length (L) 20.430 mm
- Direction Right and Left Hand Match Opposite Direction
- Hub Diameter (hd) 25.000 / With Set Screw and Keyway mm
- Sold Per Set of 2
- Hub Projection (hp) 12.00 mm
- Mounting Distance (md) 30.000 mm
- Face Width (fw) 7.000 mm
- Outside Diameter 31.870 mm
- Material ISO CLASS 8 / Steel
Product Compliance and Data
Additional Resources
Cross References
- A 1C44MYK15020S


