Miniature Bearings Australia - MBA Minibearings
Miniature Bearings Australia

CC-206-230-C - Datasheet

MBA

Category Information

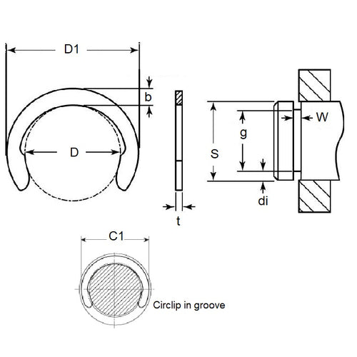
Retaining Rings - Crescent

Crescent Retaining Rings. Variation of an E-Clip with an open face. Also known as a C-Clip.

  • Narrow section height provides good clearance capabilities.
  • Absence of teeth and deep set mean less thrust load ratings than e-clips.
  • For best results install using the recommended applicator tool.

Product Data

  • Groove Diameter (G) : 20.59 - 20.80 mm
    (Equiv. 0.811 in.)
  • Shaft Diameter (S) 23.00 mm
    (Equiv. 0.906 in.)
  • Thickness (t) 1.14 mm
    (Equiv. 0.045 in.)
  • Clip OD in groove (C1) 26.60 mm
  • Clip OD Loose (D1) 26.000 mm
  • Groove Width (W) 1.30
  • Tool RRA-200
  • Material Carbon Spring Steel Self Finish
Country of Origin: US

Product Compliance and Data

Additional Resources

    Cross References

    • 97414A670
    • NoCor DC-023
    • DC023
    View full details