
Miniature Bearings Australia
PBC-1216RS - Datasheet
MBA
Category Information
Linear - Mini Rail CarriagesMini Rail Carriages Linear. Carriages for the Mini-Rail system. Match by rail width. Rail sold separately.
- Low profile self-lubricating linear guide system with one piece carriage design. Excellent alternative to linear ball bearing systems. Precision series made from RC70 ceramic coated rail with self lubricating Frelon Gold.
- Dampens vibration and tolerates shock loads. Will not rust. No metal to metal contact. No balls or rolling elements to trap contamination, skid or damage rail.
- Operation is consistent, smooth and quiet. Maintenance free. Used in packaging machines, medical equipment, wash-down and harsh environments.
Product Data
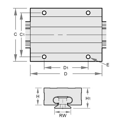
- Suitable Rail Width
:
20.00
mm
(Equiv. 0.787 in.) - Carraige Width (C)
46.00
mm
(Equiv. 1.811 in.) - Carriage Length (D)
62.00
mm
(Equiv. 2.441 in.) - Carriage Bolt Size (E) M4
- Carriage Bolt Distances Length 38.00 mm
- Carriage Bolt Distances Width 38.00 mm
- K 21.20 mm
- N 4.00 mm
- Material Aluminium
Product Compliance and Data
Additional Resources
Cross References
- Pacific MR20C


