Miniature Bearings Australia - MBA Minibearings
Miniature Bearings Australia

GM-010-M05-030-A - Datasheet

MBA

Category Information

Gears - Mitre - Module 0.5 - Plastic

Plastic Module 0.5 Mitre Gears. 1:1 Ratio. 20 Degree Pressure Angle - Acetal

  • An expanded range may be available on special order. Please enquire.
  • Mitre gears are used with a matching gear of the same pitch and number of teeth.
  • This provides a 1 to 1 ratio on a 90 Degree angle.
  • See Gears - Bevel for other ratios.

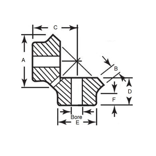
Product Data

  • Number of Teeth : 20
  • Pitch Diameter (pd) 10.000 mm
    (Equiv. 0.394 in.)
  • Bore (d) 3.000 mm
    (Equiv. 0.118 in.)
  • Overall Length (L) 8.000 mm
  • Hub Diameter (hd) 8.000 / No Set Screw mm
  • Each
  • Hub Projection (F) 4.00 mm
  • Mounting Distance (C) 11.000 mm
  • Face Width (B) 2.500 mm
  • Material Acetal - Commercial
Country of Origin: JP

Product Compliance and Data

Additional Resources

Cross References

  • A1M4MYH05
View full details