
Miniature Bearings Australia
CFF020-15-060M-R70 - Datasheet
MBA
Category Information
Mounts - Bobbin - FemaleFemale Bobbin Mounts. Vibration dampening
- An expanded range may be available on special order. Please enquire.
- Also see Bumpers
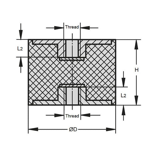
Product Data
- Nom. Body Diameter (D)
:
20.0
mm
(Equiv. 0.787 in.) - Body Height (H)
15.0
mm
(Equiv. 0.591 in.) - Thread Size M6x1
- Shore Hardness 70
- Compression Load 20.5 (44) Kg (lbs)
- Deflection 1.0 mm
- Configuration Female to Female
- Material Natural Rubber
Product Compliance and Data
Additional Resources
Cross References
- 2015FF06-70
- 2015FF0670


