
Miniature Bearings Australia
GB-21B-M1-40-060-A - Datasheet
MBA
Category Information
Gears - Bevel - Module 1 PlasticModule 1 Plastic Bevel Gears. For 90 Degree angle power transfer. Ratios exceeding 1 to 1.
- An expanded range may be available on special order. Please enquire.
- 20 Degree Pressure Angle.
- Do not mix gears from different sets.
- See Gears - Mitre for 1 to 1 ratios.
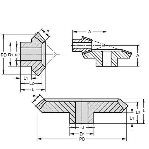
Product Data
- Ratio : 2 to 1
- Comment Large Gear Only
- Matching Gear to Complete Set GB-21B-M1-20-050-A
- Teeth 40 No.
- Bore (d) 6.000 mm
- Pitch Diameter (PD) 40.00 mm
- Face Width (S) 4.50 mm
- Overall Width (L) 14.50 mm
- Hub Diameter (D1) 18.000 mm
- Mounting Distance (A) 22.00 mm
- Hub Length (l1) 7.00 mm
- Material Acetal
Product Compliance and Data
Additional Resources
Cross References
- KHK DB1-2040
- A1M3MYH1040
- 40TB1.0P20M6P6
- DB1-2040Gear
- DB12040Gear


