
Miniature Bearings Australia
CC-027-032-SS - Datasheet
MBA
Category Information
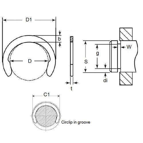
Retaining Rings - CrescentCrescent Retaining Rings. Variation of an E-Clip with an open face. Also known as a C-Clip.
- Narrow section height provides good clearance capabilities.
- Absence of teeth and deep set mean less thrust load ratings than e-clips.
- For best results install using the recommended applicator tool.
Product Data
- Groove Diameter (G)
:
2.69
mm
(Equiv. 0.106 in.) - Shaft Diameter (S)
3.18
mm
(Equiv. 0.125 in.) - Thickness (t)
0.38
mm
(Equiv. 0.015 in.) - Clip OD in groove (C1) 4.57 mm
- Clip OD Loose (D1) 4.19 mm
- Groove Width (W) 0.46
- Material Stainless Steel Grade PH15-7-17
Product Compliance and Data
Additional Resources
Cross References
- Military 16632-012-SS/B
- Military 16632-012-SS-B
- Waldes 5103-012-SS/B
- Waldes 5103-012-SS-B
- Ellison 9103-012-SS/B
- Ellison 9103-012-SS-B
- NoCor C-012-SS/B
- Rotor Clip C-012-SS/B
- NoCor C-012-SS-B
- Rotor Clip C-012-SS-B
- N1800012SSB
- N1800-012-SS/B
- N1800012SS/B
- N1800-012-SS-B
- 16632012SS/B
- 16632012SSB
- 9103012SSB
- 9103012SS/B
- 5103012SS/B
- 5103012SSB
- C012SS/B
- C012SSB


