
Miniature Bearings Australia
FS-15RS - Datasheet
MBA
Category Information
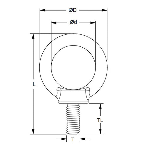
Eye Bolts - Threaded Shank - Shouldered - Carbon Steel - StandardStandard Carbon Steel Shouldered Threaded Shank Eye Bolts. Forged self coloured carbon steel.
- Forged self coloured carbon steel.
- Should not be used for angular lifts greater than 45o. Safety swivel hoist rings are recommended for such applications.
Product Data
- Thread Size : 2-4.1/2 UNC (50.8mm)
- Shank Length
101.600
mm
(Equiv. 4 in.) - Eye Inside Diameter
82.550
mm
(Equiv. 3.25 in.) - Rated Capacity 17236 Kg
Product Compliance and Data
Additional Resources
Cross References
- 3014T61


