
Miniature Bearings Australia
CC-023-030-C - Datasheet
MBA
Category Information
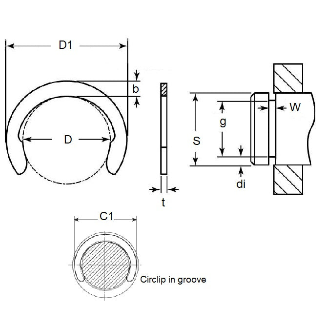
Retaining Rings - CrescentCrescent Retaining Rings. Variation of an E-Clip with an open face. Also known as a C-Clip.
- Narrow section height provides good clearance capabilities.
- Absence of teeth and deep set mean less thrust load ratings than e-clips.
- For best results install using the recommended applicator tool.
Product Data
Deleted Item. Available while stocks last.
Please contact us first if you wish to use this item in a new design so we can check whether production can be resumed.
- Groove Diameter (G)
:
2.30
mm
(Equiv. 0.091 in.) - Shaft Diameter (S)
3.00
mm
(Equiv. 0.118 in.) - Thickness (t)
0.4
mm
(Equiv. 0.016 in.) - Clip OD in groove (C1) 4.10 mm
- Clip OD Loose (D1) 3.96 mm
- Groove Width (W) 0.44
- Material Carbon Spring Steel Self Finish
Product Compliance and Data
Additional Resources
Cross References
- NoCor DC-003
- M18000003APP
- M1800-0030
- M18000030
- M1800-0003APP
- DC003


