
Miniature Bearings Australia
RPO-024-024-C - Datasheet
MBA
Category Information
Retaining Rings - Push On - Carbon SteelCarbon Steel Push On Retaining Rings. M1465 / DTX / Seeger ZA and KS.
- An expanded range may be available on special order. Please enquire.
- Thrust load shown is calculated for ideal conditions with mild steel shaft.
- If no thrust load is shown, testing is suggested.
Product Data
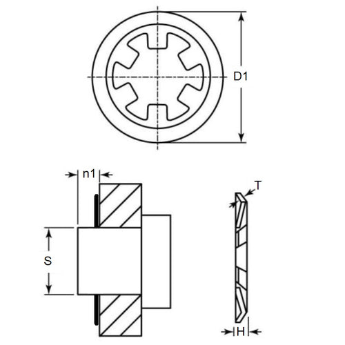
- Min shaft size (s1)
:
2.36
mm
(Equiv. 0.093 in.) - Max Shaft Size (s2)
2.41
mm
(Equiv. 0.095 in.) - Outside diameter (D1)
6.35
mm
(Equiv. 0.25 in.) - Min shaft extension (n1) 1.02 mm
- Material Thickness (t) 1.02 mm
- Material Carbon Steel
Product Compliance and Data
Additional Resources
Cross References
- Waldes 5105-009
- IRR 6100-009
- Small Parts RSE-1-1-2
- NoCor TY-009
- Rotor Clip TY-009
- TY009
- RSE112
- 6100009
- 5105009


