
Miniature Bearings Australia
RT-080-0533-060-220-H - Datasheet
MBA
Category Information
Ratchets and Pawls - Ratchets - Without HubWithout Hub Ratchets Ratchets and Pawls. Match with pawls listed on this site.
- An expanded range may be available on special order. Please enquire.
Product Data
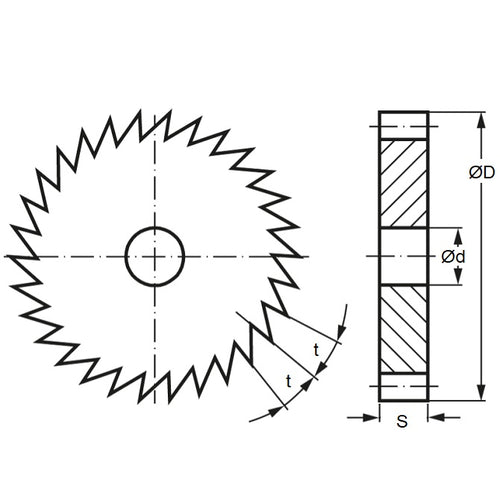
- Pitch : 2.094 CP
- Teeth (No.) 80
- Outside Diameter
53.3
mm
(Equiv. 2.098 in.) - Bore 22 mm
- Face Width 6 mm
- Total Width 12.00 mm
- Additional Info Pawl ordered separately
- Teeth Depth 1 mm
- Info 6.0x2.8 Keyway
- Material Carbon Steel - Hardened 48-53 HRC
Product Compliance and Data
Additional Resources
Cross References
- SRT2/380J22


