
Miniature Bearings Australia
RT-050-0333-060-140-H - Datasheet
MBA
Category Information
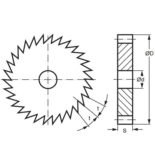
Ratchets and Pawls - Ratchets - Without HubWithout Hub Ratchets Ratchets and Pawls. Match with pawls listed on this site.
- An expanded range may be available on special order. Please enquire.
Product Data
- Pitch : 2.094 CP
- Teeth (No.) 50
- Outside Diameter
33.33
mm
(Equiv. 1.312 in.) - Bore 14 mm
- Face Width 6 mm
- Total Width 12.00 mm
- Additional Info Pawl ordered separately
- Teeth Depth 1 mm
- Info 5.0x2.3 Keyway
- Material Carbon Steel - Hardened 48-53 HRC
Product Compliance and Data
Additional Resources
Cross References
- SRT2/350J14


