
Miniature Bearings Australia
DVWS1-POL - Datasheet
MBA
Category Information
Dual Vee - Studded Guide WheelsStudded Guide Wheels Dual Vee. Vee grooved track roller guide wheels.
- An expanded range may be available on special order. Please enquire.
- Match with correct Track Size.
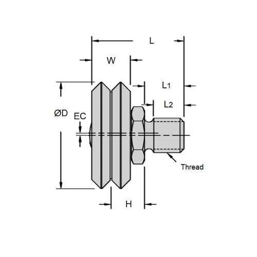
- Note! OD is reference only. Allow up to 1.2 mm larger than listed.
Product Data
- Size Reference : 1
- Outside Diameter (O.D)
19.6
mm
(Equiv. 0.772 in.) - Journal Width (W)
7.87
mm
(Equiv. 0.31 in.) - Overall Length (L) 19.3 mm
- Wheel Type Stationary
- Offset Value (EC) 0.84 mm
- Static Load (Radial / Axial) 6 / - kg
- Thread Size x Length (l2) M8 x 1.25 x 8.1
- Material Polymer
Product Compliance and Data
Additional Resources
Cross References
- WZ421
- WZ-421


