
Miniature Bearings Australia
RPO-190-191-C - Datasheet
MBA
Category Information
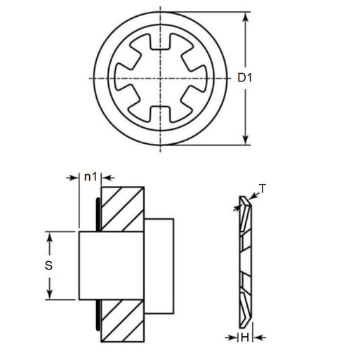
Retaining Rings - Push On - Carbon SteelCarbon Steel Push On Retaining Rings. M1465 / DTX / Seeger ZA and KS.
- An expanded range may be available on special order. Please enquire.
- Thrust load shown is calculated for ideal conditions with mild steel shaft.
- If no thrust load is shown, testing is suggested.
Product Data
- Min shaft size (s1)
:
19.00
mm
(Equiv. 0.748 in.) - Max Shaft Size (s2)
19.10
mm
(Equiv. 0.752 in.) - Outside diameter (D1)
25.40
mm
(Equiv. 1 in.) - Min shaft extension (n1) 1.52 mm
- Material Thickness (t) 1.52 mm
- Material Carbon Steel
Product Compliance and Data
Additional Resources
Cross References
- Waldes 5105-075
- IRR 6100-075
- 98430A152
- Small Parts RSE-12
- NoCor TY-075
- Rotor Clip TY-075
- TY075
- RSE12
- 6100075
- 5105075


