
Miniature Bearings Australia
CMP-0800-0200-28-408 - Datasheet
MBA
Category Information
Clutches - Slip Magnetic Particle - No Power Without ShaftNo Power Without Shaft Slip Magnetic Particle Clutches. Requires no power.
- Sealed from contamination.
- Uses permanent magnets and magnetic particles.
- Constant torque levels.
- Zero maintenance - Long operational life.
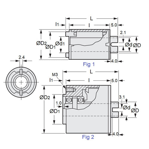
Product Data
- Optimum Torque Range : 193 to 408 g.cm
- Inner Diameter (d)
8.000
mm
(Equiv. 0.315 in.) - Overall Length
27.5
mm
(Equiv. 1.083 in.) - Static Torque 306 g.cm
- Hub Diameter (D1) 17.0 mm
- Max. Speed 300 RPM
- Body Diameter 20.0 mm
- Shell (Material) Steel
- End Caps (Material) Plastic
Product Compliance and Data
Additional Resources
Cross References
- S90APLMP08030028


