
Miniature Bearings Australia
SLQ-1905-2896-10160-T - Datasheet
MBA
Category Information
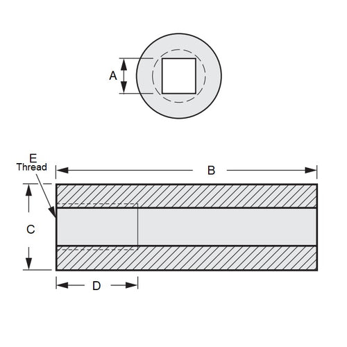
Sleeves - Square Hole - Threaded - Carbon SteelCarbon Steel Threaded Square Hole Sleeves. Square and concentric to 0.076mm (0.003in). Threaded.
- Precisely machined, round outer surface and a uniform, precisely square-shaped hole completely through its center.
Product Data
- Nominal Square Size
:
19.177
mm
+/- 0.0254
(Equiv. 0.755 in.) - Outside Diameter (C)
28.956
mm
(Equiv. 1.14 in.) - Length (B)
101.600
mm
(Equiv. 4 in.) - Actual Square Size (A) 19.050 mm
- Thread Depth (D) 31.750 mm
- Thread Size 1-14 UNF
- Material Carbon Steel 11L17
Product Compliance and Data
Additional Resources
Cross References
- SHSG-75
- SHSG75


