
Miniature Bearings Australia
BF0191-0286-0476-BA - Datasheet
MBA
Category Information
Bushes - Flanged - Aluminium Bronze - PlainPlain Aluminium Bronze Flanged Bushes. Used for dies, moulds and heavy machinery. C95400 Aluminium bronze.
- An expanded range may be available on special order. Please enquire.
- ID and OD Tolerance : -0.0000 / +0.0127
- Length Tolerance : -1.524 / +0.000
Product Data
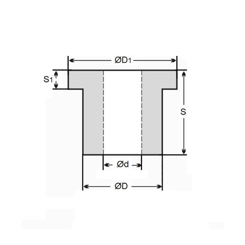
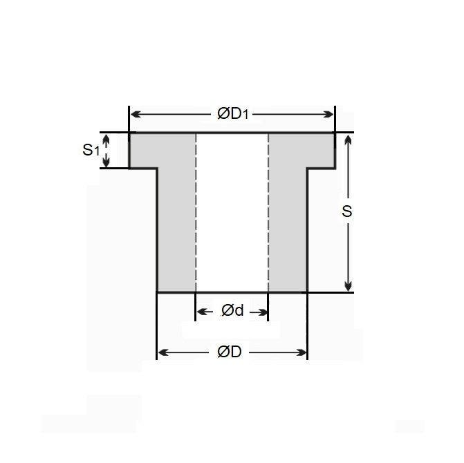
- Nominal Inside Diameter (d)
:
19.050
mm
+ 0.013 / - 0.000
(Equiv. 0.75 in.) - Nominal Outside Diameter (D)
28.575
mm
+ 0.013 / - 0.000
(Equiv. 1.125 in.) - Length (s)
47.625
mm
+ 0.00 / - 1.52
(Equiv. 1.875 in.) - Flange OD (D1) 33.02 mm
- Flange Thickness (S1) 4.76 mm
- Material Aluminium Bronze
Product Compliance and Data
Additional Resources
- DU Bush Material Information
- General Bushes Catalogue
- Sintered Bronze Products Catalogue
- Solid Bronze Bushes catalogue
Cross References
- SLB-462
- SLB462



