
Miniature Bearings Australia
BP0191-0254-0222-BSHH - Datasheet
MBA
Category Information
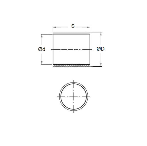
Bushes - Unflanged - Bronze - SinteredSintered Bronze Unflanged Bushes. Oil impregnated sintered bronze bushes.
- An expanded range may be available on special order. Please enquire.
- Precision items show an allowable Load Speed Rating in Newtons times RPM.
Product Data
- Nominal Inside Diameter (d)
:
19.050
mm
+ 0.051 / + 0.076
(Equiv. 0.75 in.) - Nominal Outside Diameter (D)
25.400
mm
+ 0.051 / + 0.076
(Equiv. 1 in.) - Length (s)
22.225
mm
+/- 0.127
(Equiv. 0.875 in.) - Material Bronze SAE 841 Sintered
Product Compliance and Data
Additional Resources
- DU Bush Material Information
- General Bushes Catalogue
- Sintered Bronze Products Catalogue
- Solid Bronze Bushes catalogue
Cross References
- 6391K264
- Oilite AA-1043-8
- Oilube AA-1043-8
- Oilite AA1043-8
- Bunting B-1216-7
- Shorlube C2432-7
- Symmco SS-2432-14
- BP019102540222BS
- BP019102540222BSHH
- BP019102540222BS-HH
- A7B4SP243207
- A7B4-SP243207
- B12167
- SS243214
- C24327
- AA10438


