
Miniature Bearings Australia
BF0191-0238-0381-BS3040TH - Datasheet
MBA
Category Information
Bushes - Flanged - Bronze - SinteredSintered Bronze Flanged Bushes. Oil impregnated flanged sintered bronze bushes.
- An expanded range may be available on special order. Please enquire.
- Precision items show an allowable Load Speed Rating in Newtons times RPM.
Product Data
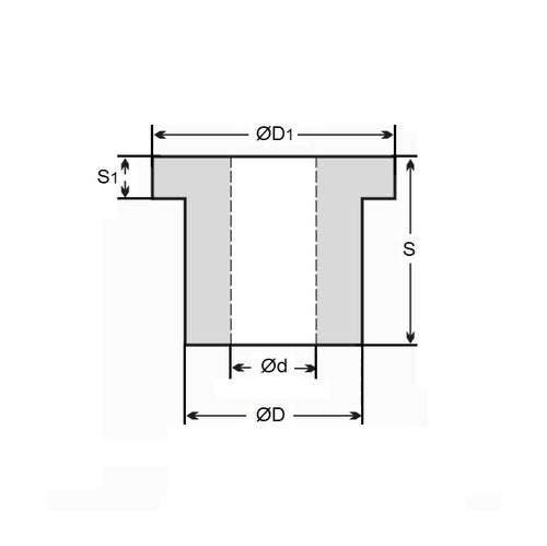
- Nominal Inside Diameter (d)
:
19.050
mm
+ 0.025 / + 0.051
(Equiv. 0.75 in.) - Nominal Outside Diameter (D)
23.813
mm
+ 0.038 / + 0.063
(Equiv. 0.938 in.) - Length (s)
38.100
mm
+/- 0.127
(Equiv. 1.5 in.) - Flange OD (D1) 30.16 mm
- Flange Thickness (S1) 3.97 mm
- Material Bronze SAE 841 Sintered
Product Compliance and Data
Additional Resources
- DU Bush Material Information
- General Bushes Catalogue
- Sintered Bronze Products Catalogue
- Solid Bronze Bushes catalogue
Cross References
- Oilite FB1215-12
- BF019102380381BS
- BF019102380381BSTH
- A7B4SF243012
- A7B4-SF243012


