
Miniature Bearings Australia
BP0191-0222-0413-BSHH - Datasheet
MBA
Category Information
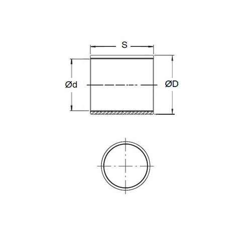
Bushes - Unflanged - Bronze - SinteredSintered Bronze Unflanged Bushes. Oil impregnated sintered bronze bushes.
- An expanded range may be available on special order. Please enquire.
- Precision items show an allowable Load Speed Rating in Newtons times RPM.
Product Data
- Nominal Inside Diameter (d)
:
19.050
mm
+ 0.051 / + 0.076
(Equiv. 0.75 in.) - Nominal Outside Diameter (D)
22.225
mm
+ 0.051 / + 0.076
(Equiv. 0.875 in.) - Length (s)
41.275
mm
+/- 0.190
(Equiv. 1.625 in.) - Material Bronze SAE 841 Sintered
Product Compliance and Data
Additional Resources
- DU Bush Material Information
- General Bushes Catalogue
- Sintered Bronze Products Catalogue
- Solid Bronze Bushes catalogue
Cross References
- Oilite AA839-7
- Bunting B-1214-13
- Small Parts SBB-12-26
- Symmco SS-2428-26
- BP019102220413BS
- BP019102220413BSH
- A7B4-SP242813
- A7B4SP242813
- B121413
- SS242826
- SBB1226
- AA8397


