
Miniature Bearings Australia
BP0191-0222-0254-BSTH2 - Datasheet
MBA
Category Information
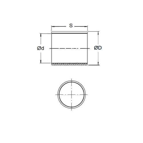
Bushes - Unflanged - Bronze - SinteredSintered Bronze Unflanged Bushes. Oil impregnated sintered bronze bushes.
- An expanded range may be available on special order. Please enquire.
- Precision items show an allowable Load Speed Rating in Newtons times RPM.
Product Data
- Nominal Inside Diameter (d)
:
19.050
mm
+ 0.025 / + 0.051
(Equiv. 0.75 in.) - Nominal Outside Diameter (D)
22.225
mm
+ 0.076 / + 0.102
(Equiv. 0.875 in.) - Length (s)
25.400
mm
+/- 0.127
(Equiv. 1 in.) - Material Bronze SAE 841 Sintered
Product Compliance and Data
Additional Resources
- DU Bush Material Information
- General Bushes Catalogue
- Sintered Bronze Products Catalogue
- Solid Bronze Bushes catalogue
Cross References
- 6391K259
- Oilite AA885-3
- Bunting EP121416
- Small Parts SBB-12-16
- BNT175
- BNT-175
- BP019102220254BS
- BP019102220254BSSH
- BP019102220254BS-SH
- BP019102220254BSTH
- QT155
- QT15-5
- SBB1216


