
Miniature Bearings Australia
GHK1905-1905-127 - Datasheet
ExaktKey
Category Information
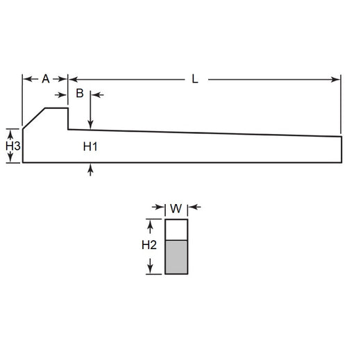
Keys - Gib Head - SteelSteel Gib Head Keys. Tapered 3.000 mm per 300 mm (1:100)
- An expanded range may be available on special order. Please enquire.
Product Data
- Nominal Key Height (H1)
:
19.050
mm
(Equiv. 0.75 in.) - Width (W)
19.050
mm
(Equiv. 0.75 in.) - Length (L)
127.0
mm
(Equiv. 5 in.) - Head Height (h2) Approx. 28.5 mm
- Approx (B) 12.7
- Approx (H3) 19.84
- Taper 1:100
- Standard BS46
- Head Length (Approx) (A) 20.64 mm
- Material Cold Finished Steel
Product Compliance and Data
Additional Resources
Cross References
- 98471A362
- NoCor GIB-0750-5000
- MAK-A-KEY JMEDG5X34
- GIB07505000


