
Miniature Bearings Australia
REF-191-R-CT - Datasheet
MBA
Category Information
Rod Ends - Female - Steel - Plain - PTFE Lined - Tight FitTight Fit PTFE Lined Plain Steel Female Rod Ends. Imperial and Metric. Tight fit (Minimal ball clearance) / Carbon Steel. Also known as Heim Joints
- An expanded range may be available on special order. Please enquire.
- Dimensions not shown are available on request.
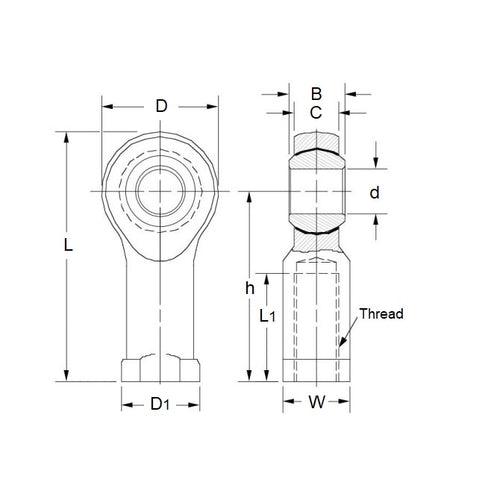
Product Data
- Eye Size (d1)
:
19.05
mm
(Equiv. 0.75 in.) - Overall Length (L)
95.25
mm
(Equiv. 3.75 in.) - Thread Size 3/4-16 UNF Right
- Thread Length (l2) 44.45 mm
- Head Width (W) 17.45 mm
- Eye Width (W1) 22.23 mm
- Head Diameter (D) 44.45 mm
- Centre Height (l1) 73.03 mm
- Body Width/Flange Width(W2/D3) 25.40 / 28.58 mm
- Material Steel PTFE Lined
Product Compliance and Data
Additional Resources
Cross References
- 2458K38-RIGHT
- KWK TFB12
- 2458K38RIGHT


