
Miniature Bearings Australia
CCF105RS - Datasheet
MBA
Category Information
Roller Followers - StandardStandard Roller Followers. This is the main category in this series
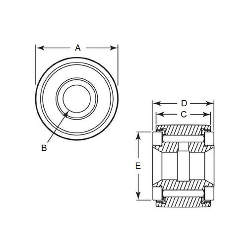
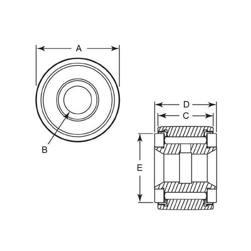
Product Data
- Diameter (A)
:
19.050
mm
(Equiv. 0.75 in.) - Overall Width (D)
14.288
mm
(Equiv. 0.563 in.) - Bore (B)
6.350
mm
(Equiv. 0.25 in.) - Width (C) 12.700 mm
- E 15.875 mm
- Dynamic Load Rating 752.963 kg
- Static Load Rating 1873.336 kg
- Material Steel
Product Compliance and Data
Additional Resources
Cross References
- 6831K41
- CCF105
- CCF-105


