
Miniature Bearings Australia
LCHF-0191-052-TSS - Datasheet
MBA
Category Information
Linear - Thomson Super Housings - Smart FlangedSmart Flanged Thomson Super Housings Linear. Includes Bearings.
Product Data
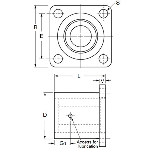
- Nominal Diameter
:
19.05
mm
(Equiv. 0.75 in.) - Flange Length and Width (B)
60.45
mm
(Equiv. 2.38 in.) - Bolt Distance and Dia. (S x E)
5.6 x 44.45
mm
(Equiv. 0.22 in.) - Length (L) 52.32 mm
- Width (D) 44.45 mm
- Flange Height (V) 9.65 mm
- Lube Hole Distance (G1) 22.61 mm
- Type Single
- Weight 0.24 Kg
- Dynamic Load Capacity 504 kgf
Product Compliance and Data
Additional Resources
Cross References
- QBC TSS6UFB-12
- TLM-1210
- TLM1210
- TSS6UFB12


