
Miniature Bearings Australia
LCHF-0191-052-TS - Datasheet
MBA
Category Information
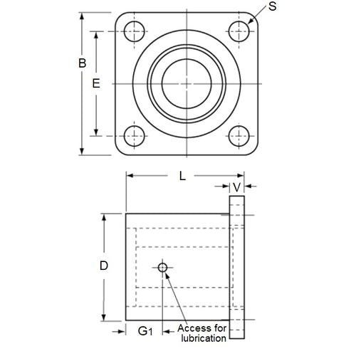
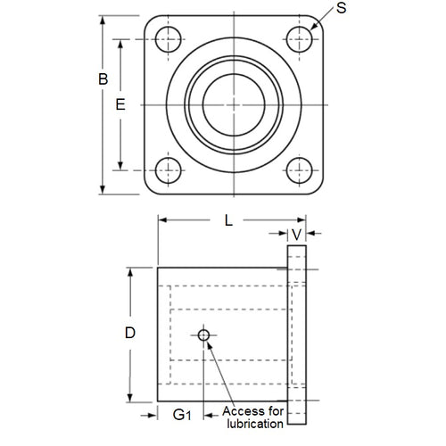
Linear - Thomson Super Housings - FlangedFlanged Thomson Super Housings Linear. Includes Bearings.
- Provides 3 times the load capacity or 27 times the travel life of conventional linear bearings. Installed into a housing.
- Increased load capacity, self-aligning, lightweight and adjustable with a low coefficient of friction.
- Quick and easy replacement for high friction plain bearings. Wear-resistant, engineered-polymer retainers and outer sleeves reduce inertia and noise in critical, high speed applications.
Product Data
- Nominal Diameter
:
19.05
mm
(Equiv. 0.75 in.) - Flange Length and Width (B)
60.45
mm
(Equiv. 2.38 in.) - Bolt Distance and Dia. (S x E)
5.6 x 44.45
mm
(Equiv. 0.22 in.) - Length (L) 52.32 mm
- Width (D) 44.45 mm
- Flange Height (V) 9.65 mm
- Lube Hole Distance (G1) 22.61 mm
- Type Single
- Dynamic Load Capacity 504 kgf
Product Compliance and Data
Additional Resources
Cross References
- Reid Tool® TLM-810
- TLM810


