
Miniature Bearings Australia
LCHF-0191-100-TS - Datasheet
MBA
Category Information
Linear - Thomson Super Housings - FlangedFlanged Thomson Super Housings Linear. Includes Bearings.
Product Data
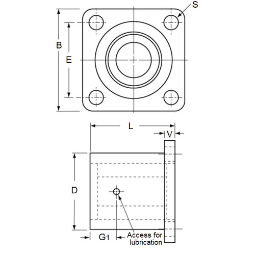
- Nominal Diameter
:
19.05
mm
(Equiv. 0.75 in.) - Flange Length and Width (B)
60.45
mm
(Equiv. 2.38 in.) - Bolt Distance and Dia. (S x E)
1/4 -20 x 44.45
mm
(Equiv. 0.039 in.) - Length (L) 100.33 mm
- Width (D) 44.45 mm
- Flange Height (V) 22.86 mm
- Lube Hole Distance (G1) 50.29 mm
- Type Twin
- Dynamic Load Capacity 1009 kgf
Product Compliance and Data
Additional Resources
Cross References
- TLM-825
- TLM825


