
Miniature Bearings Australia
PBL320RS - Datasheet
MBA
Category Information
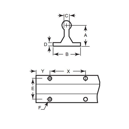
Linear - Rail Supports - With Shaft - One PieceOne Piece With Shaft Rail Supports Linear. One piece construction made from 6061-T6 Aluminium with ceramic coating to Mil-8625. Suitable for use with Frelon lined linear bearings.
- Not suitable for linear ball bearings
- Weld spatter, paints and other contaminants will not stick to the shaft.
- Vibration resistant and non-magnetic.
- Not suitable for harsh washdown environments.
Product Data
- Suitable Shaft Size (d)
:
19.05
mm
(Equiv. 0.75 in.) - Height to Shaft Centre (H)
38.10
mm
(Equiv. 1.5 in.) - Length (+0/-1.59mm)
609.60
mm
(Equiv. 24 in.) - Foot Height (V) 6.35 mm
- Base Width (A) 44.45 mm
- Support Angle (a) 152.4 °
- Hole Spacing (T) 5.61 mm
- Base Mtg. Hole (U) 31.75 mm
Product Compliance and Data
Additional Resources
Cross References
- 1049K25
- Reid Tool® PBL-320
- PBL320


