
Miniature Bearings Australia
BP0191-0254-0381-BSHH - Datasheet
MBA
Category Information
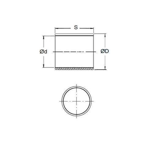
Bushes - Unflanged - Bronze - SinteredSintered Bronze Unflanged Bushes. Oil impregnated sintered bronze bushes.
- An expanded range may be available on special order. Please enquire.
- Precision items show an allowable Load Speed Rating in Newtons times RPM.
Product Data
- Nominal Inside Diameter (d)
:
19.050
mm
+ 0.051 / + 0.076
(Equiv. 0.75 in.) - Nominal Outside Diameter (D)
25.400
mm
+ 0.051 / + 0.076
(Equiv. 1 in.) - Length (s)
38.100
mm
+/- 0.127
(Equiv. 1.5 in.) - Material Bronze SAE 841 Sintered
Product Compliance and Data
Additional Resources
- DU Bush Material Information
- General Bushes Catalogue
- Sintered Bronze Products Catalogue
- Solid Bronze Bushes catalogue
Cross References
- Oilite AA-1043-4
- Oilube AA-1043-4
- Oilite AA1043-4
- Bunting B-1216-12
- Shorlube C2432-13
- Symmco SS-2432-24
- BP019102540381BSHH
- BP019102540381BS-HH
- A7B4-SP243212
- A7B4SP243212
- B121612
- SS243224
- C243213
- AA10434


