
Miniature Bearings Australia
RPO-189-192-SP15 - Datasheet
MBA
Category Information
Retaining Rings - Push On - Stainless SteelStainless Steel Push On Retaining Rings. Rotor Clip TY. Stainless Steel hardness HR15N 82.5-86
- An expanded range may be available on special order. Please enquire.
- PH 15-7/17-7 Stainless Steel and 1.4310 Stainless Steel
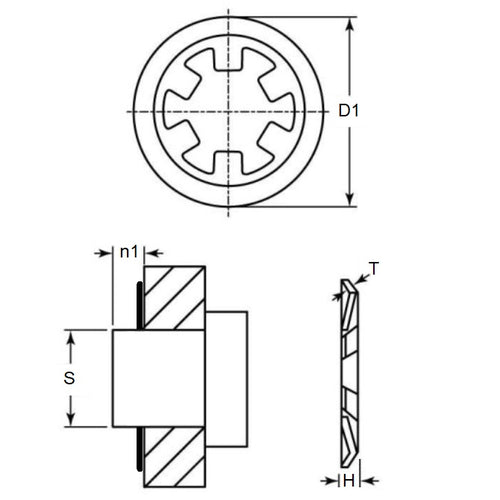
Product Data
- Min shaft size (s1)
:
18.92
mm
(Equiv. 0.745 in.) - Max Shaft Size (s2)
19.18
mm
(Equiv. 0.755 in.) - Outside diameter (D1)
27.00
mm
(Equiv. 1.063 in.) - Min shaft extension (n1) 2.74 mm
- Material Thickness (t) 0.42 mm
- Material Stainless Steel Grade PH15-7-17
Product Compliance and Data
Additional Resources
Cross References
- Waldes 5115-075-SS
- NoCor TX-075-SS
- Rotor Clip TX-075-SS
- N1465-075-SS
- N1465075SS
- TX075SS
- 5115075SS


