Miniature Bearings Australia - MBA Minibearings
Miniature Bearings Australia

GM-038-D12-127-C - Datasheet

MBA

Category Information

Gears - Mitre - 12DP Steel

12DP Steel Mitre Gears. 1:1 Ratio. 20 Degree Pressure Angle - Carbon steel

  • An expanded range may be available on special order. Please enquire.
  • Mitre gears are used with a matching gear of the same pitch and number of teeth.
  • This provides a 1 to 1 ratio on a 90 Degree angle.
  • See Gears - Bevel for other ratios.

Product Data

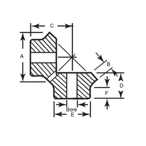
  • Number of Teeth : 18
  • Pitch Diameter (pd) 38.100 mm
    (Equiv. 1.5 in.)
  • Bore (d) 12.700 mm
    (Equiv. 0.5 in.)
  • Overall Length (L) 25.933 mm
  • Hub Diameter (hd) 31.750 mm
  • Each
  • Hub Projection (F) 16.002 mm
  • Mounting Distance (C) 38.100 mm
  • Face Width (B) 8.382 mm
  • Material Steel
Country of Origin: US

Product Compliance and Data

Additional Resources

Cross References

  • BOSTON L127Y
  • GE127
  • GE-127
View full details