
Miniature Bearings Australia
DJK-018 - Datasheet
MBA
Category Information
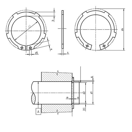
Retaining Rings - Internal - Circlips - TabbedTabbed Circlips Internal Retaining Rings. DIN984 / D2000 / Seeger JK. Retaining rings. Snap Rings (USA).
- An expanded range may be available on special order. Please enquire.
- Internal tabs are concentrically positioned for a concealed assembly.
- Tabs act as spacers for securing machine components.
Product Data
- Housing Bore (B)
:
18.00
mm
(Equiv. 0.709 in.) - Clip Thickness (T)
1.00
mm
+ 0.00 / - 0.15
(Equiv. 0.039 in.) - Groove Dia. (Dg)
19.15
mm
+ 0.00 / - 0.06
(Equiv. 0.754 in.) - Approx. Loose Circlip OD (Dr) 19.37 mm
- Radial Wall (S) Approx. 2.30 mm
- Groove Width (W) 1.10 mm
- Tool PRS-I011
- Material Carbon Steel
Product Compliance and Data
Additional Resources
Cross References
- Seeger JK18-BLS
- Seeger JK18X1
- 2000-018
- 2000018
- JK18BLS
- D2000-018
- D2000018


